| Sign In | Join Free | My portofva.com |
|
Brand Name : YBX
Model Number : YX82G5-60A-T
Certification : CUL,TUV,CQC,CE,ROHS,CB,ENEC,REACH
Place of Origin : China
MOQ : 500PCS
Price : Negotiable
Payment Terms : T/T
Supply Ability : 500000 Piece/Pieces per Month
Delivery Time : 10-20 Work Days
Packaging Details : 56.5*28.5*22.5cm(one box)
Product name : EMI Power Filter YX-G Series
Rated voltage : 250/440VAC
Rated current : 1A~60A
Operating frequency : 10KHZ~30MHZ
Insertion loss : 50ohm
Stopband attenuation : 20~100dB
Line to ground : 2250VDC
Line to line : 1450VDC
1.Multi Purpose Three Phase EMI Filter High Attenuation Performance up to 300Mhz
2.Product Parameters
| Product Name | Three phase three wire filter |
| YBX Model | YX82G5-60A-T |
| Transfer Function | Low Pass |
| Output mode | Terminal Block |
| Frequency | 50/60HZ |
| Insertion Loss | 10~90dB |
| Input Impedance | 50Ω |
| Rated Voltage | 115V/250V 380V/440V |
| Rated Current | 1~15A |
| Environmental Temperature | 40°C |
| Temperature Range | -25℃~+85℃ |
| Line to Line | 1450VDC |
| Line to Ground | 2250VDC |
| Maximum Leakage Current | 250VAC/60HZ 2.0mA Max |
| MOQ | 100pcs |
| Price | Negotiable |
| Lead Time | 10~20 weekday |
Product Picture:


Dimensional Drawing:


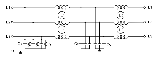
Electrical schematic:

3.Typical Application
--LED lighting equipment
--Computer supporting equipment
--Electronic equipment
--Household electrical equipment
--Fitness equipment
--Mechanical and electrical products

4. About us
Shenzhen Yanbixin Technology Co., Ltd. was established in 2008, 14 years focus on EMC & EMI power filter research and development, production and sales.
After more than ten years of efforts, our products have been certified and patented by CUL/UL, TUV, CQC, CE, CB, ENEC, ROHS, REACH, etc. There are many products with complete specifications, and for quality assurance, they are strictly produced according to GJB9001C-2017 military standard system standards.
Product models are abundant, a wide range of applications, welcome to consult!


5.Our Strengths
--After years of efforts of the company's personnel, products successively obtained the cUL,TUV,CQC, CE, ROSH certifications.
--We have a professional R&D team; our aims is we won't let customers spend any extra money!
--National high-tech enterprises, brand assurance, reliable quality, and we have the relevant product certifications.
--We cooperate with top scientific research laboratories to provide free EMC rectification technical support, samples; and free conduction test.
--Automation technology, scale production, great price,excellent, service, fast delivery! Free replacement within three months, free maintenance within six years, life-long maintenance!

6.Multiple certifications
We have a full range of product certifications, such as ISO9001, cUL, UL, CQC, CE, CE, ROHS, etc., which are trusted by our customers.
Please tell me the certification requirements you need, we will do
our best to meet your requirements.

7. FAQ
Q1: Is the company's product in stock?
A: A small part of the products are in stock, the detailed inventory
of goods please consult our salesman
Q2: Are you a factory or a trader?
A: We are a manufacturer of EMI filters with 14 years of
production experience.
Q3: Do you offer free samples?
A: We can provide free samples, but the freight should be paid by the buyer.
Q4: How about the payment terms?
A: We usually require T/T in advance. If the amount is more than
5000USD, we can do a 30% T/T deposit, a 70% T/T deposit before
shipment, and a balance against shipment. And we also accept the
L/C, Western Union, Paypal, etc.
Q5: What kind of after-sale service do you offer?
A: Quality assurance:free replacement within 3 months, free repair
within 6 years, lifelong maintenance.
|
|
Multi Purpose 3 Phase Emi Filter High Attenuation Performance Up To 300mhz Images |